














【考纲内容】
- 线性表的定义和基本操作
- 线性表的实现(顺序储存;链式储存;线性表的应用)
【知识框架】
【复习提示】
线性表是考研命题的重点。这类算法题实现起来比较容易而且代码量较少,但却要求具有最优的性能(时间、空间复杂度),才能获得满分。因此,应牢固掌握线性表的各种基本操作(基于两种存储结构),在平时的学习中多注重培养动手能力。另外,需要提醒的是,算法最重要的是思想!考场上的时间有限,在试卷上不一定要求代码具有实际的可执行性,因此应尽力表达出算法的思想和步骤,而不必过于拘泥每个细节。注意算法题只能用C/C++语言实现。
线性表的定义和基本操作
线性表的定义
线性表是具有相同数据类型的 $n \ (n≥0)$ 个数据元素的有限序列,其中 $n$ 为表长,当 $n=0$ 时线性表是一个空表。若用 $L$ 命名线性表,则其一般表示为:$$L=(a_1,a_2,\cdots ,a_i,a_{i+1},\cdots ,a_n)$$ 式中,$a_1$ 是唯一的“第一个”数据元素,又称表头元素;$a_n$ 是唯一的“最后一个”数据元素,又称表尾元素。
- 除第一个元素外,每个元素有且仅有一个直接前驱。
- 除最后一个元素外,每个元素有且仅有一个直接后继。
以上就是线性表的逻辑特性,这种线性有序的逻辑结构正是线性表名字的由来。线性表的特点如下:
- 表中元素的个数有限
- 表中元素具有逻辑上的顺序性,表中元素有其先后次序
- 表中元素都是数据元素,每个元素都是单个元素
- 表中元素的数据类型都相同,这意味着每个元素占有相同大小的存储空间
- 表中元素具有抽象性,即仅讨论元素间的逻辑关系,而不考虑元素究竟表示什么内容。
线性表的基本操作
一个数据结构的基本操作是指其最核心、最基本的操作。其他较复杂的操作可通过调用其基本操作来实现。线性表的主要操作如下:
InitList(&L):初始化表。构造一个空的线性表。Length(L):求表长。返回线性表 L 的长度,即 L 中数据元素的个数。LocateElem(L,e):按值查找操作。在表 L 中查找具有给定关键字值的元素。GetElem(L,i):按位查找操作。获取表 L 中第 i 个位置的元素的值。ListInsert(&L,i,e):插入操作。在表 L 中的第 i 个位置上插入指定元素 e 。ListDelete(&L,i,&e):删除操作。删除表 L 中第 i 个位置的元素,并用 e 返回删除元素的值。PrintList(L):输出操作。按前后顺序输出线性表 L 的所有元素值。Empty(L):判空操作。若 L 为空表,则返回 true,否则返回 false。DestroyList(&L):销毁操作。销毁线性表,并释放线性表 L 所占用的内存空间。
线性表的顺序表示
顺序表的定义
线性表的顺序存储又称顺序表。它是用一组地址连续的存储单元依次存储线性表中的数据元素,从而使得逻辑上相邻的两个元素在物理位置上也相邻。第1个元素存储在线性表的起始位置,第 $i$ 个元素的存储位置后面紧接着存储的是第 $i+1$ 个元素,称 $i$ 为元素 $a_i$ 在线性表中的位序。因此,顺序表的特点是表中元素的
假设线性表 L 储存的起始位置为 LOC(A),sizeof(ElemType) 是每个数据元素所占用储存空间的大小,则表 L 所对应的顺序存储如下图所示。

注意:线性表中元素的位序是从 1 开始的,而数组中元素的下标是从 0 开始的。
顺序表的实现方式
静态分配
假定线性表的元素类型为 ElemType(以下具体操作使用int类型),则线性表的顺序存储类型描述为:
1 |
|
一维数组可以是静态分配的,也可以是动态分配的。在静态分配时,由于数组的大小和空间事先已经固定,一旦空间占满,再加入新的数据将会产生溢出,进而导致程序崩溃。
1 | // 初始化一个顺序表 |
动态分配
而在动态分配时,存储数组的空间是在程序执行过程中通过动态存储分配语句分配的,一旦数据空间占满,就另外开辟一块更大的存储空间,用以替换原来的存储空间,从而达到扩充存储数组空间的目的,而不需要为线性表一次性地划分所有空间。
1 |
|
C 的初始动态分配语句为:L.data = (ElemType*)malloc(sizeof(ElemType) * InitSize);
C++ 的初始动态分配语句为:L.data = new ElemType[InitSize];
注意:动态分配并不是链式存储,它同样属于顺序存储结构,物理结构没有变化,依然是随机存取方式,只是分配的空间大小可以在运行时决定。
1 |
|
顺序表的特点
- 随机访问,即通过首地址和元素序号可在时间 $O(1)$ 内找到指定的元素。
- 存储密度高,每个结点只存储数据元素。
- 拓展容量不方便(即便采用动态分配的方式实现,拓展长度的时间复杂度也比较高)
- 插入、删除操作不方便,逻辑上相邻的元素物理上也相邻,所以插入和删除操作需要移动大量元素。
顺序表上基本操作的实现
插入操作
在顺序表 L 的第 i(1≤i≤L.length+1)个位置插入新元素 e。
- 若 i 的输入不合法,则返回 false,表示插入失败;
- 否则,将顺序表的第 i 个元素及其后的所有元素右移一个位置,腾出一个空位置插入新元素 element,顺序表长度增加 1,插入成功,返回 true。
1 | /** |
- 最好情况:在表尾插入(即 $i = n+1$ ),元素后移语句不执行,时间复杂度为 $O(1)$。
- 最坏情况:在表头插入(即 $i = 1$),元素后移语句将执行 $n$ 次,时间复杂度为 $O(n)$。
- 平均情况:假设 $p_i \ (p_i=\frac{1}{n+1} )$ 是在第 $i$ 个位置上插入一个结点的概率,则在长度为 $n$ 的线性表中插入一个结点时,所需移动结点的平均次数为:
$$\sum_{i=1}^{n+1}p_{i}\left(n-i+1\right) = \sum_{i=1}^{n+1}\frac{1}{n+1}\left(n-i+1\right) = \frac{1}{n+1}\sum_{i=1}^{n+1}\left(n-i+1\right) = \frac{1}{n+1}\frac{n\left(n+1\right)}{2}=\frac{n}{2}$$ 因此,线性表插入算法的平均时间复杂度为 $O(n)$。
删除操作
删除顺序表 L 中第 i(1≤i≤L.length+1)个位置的元素,若成功则返回 true,并将被删除的元素用引用变量 element 返回,否则返回 false。
1 | /** |
- 最好情况:删除表尾元素(即 $i = n$ ),无须移动元素,时间复杂度为 $O(1)$。
- 最坏情况:删除表头元素(即 $i = 1$),需移动除第一个元素外的所有元素,时间复杂度为 $O(n)$。
- 平均情况:假设 $p_i \ (p_i=\frac {1}{n} )$ 是删除第 $i$ 个位置上结点的概率,则在长度为 $n$ 的线性表中删除一个结点时,所需移动结点的平均次数为:
$$\sum_{i=1}^{n}p_{i}\left(n-i\right) = \sum_{i=1}^{n}\frac{1}{n}\left(n-i\right) = \frac{1}{n}\sum_{i=1}^{n}\left(n-i\right) = \frac{1}{n}\frac{n\left(n-1\right)}{2}=\frac{n-1}{2}$$ 因此,线性表删除算法的平均时间复杂度为 $O(n)$。
按位查找
在顺序表 L 中,获取第 i 个位置的元素的值。
1 | /** |
时间复杂度:$O(1)$
按值查找
在顺序表 L 中查找第一个元素值等于 element 的元素,并返回其位序。
1 | /** |
- 最好情况:查找的元素就在表头,仅需比较一次,时间复杂度为 $O(1)$。
- 最坏情况:查找的元素在表尾(或不存在)时,需要比较 $n$ 次,时间复杂度为 $O(n)$。
- 平均情况:假设 $p_i \ (p_i=\frac {1}{n})$ 是查找的元素在第 i (1≤i≤L. length)个位置上的概率,则在长度为 $n$ 的线性表中查找值为 e 的元素所需比较的平均次数为:
$$\sum_{i=1}^{n}p_{i}\times i = \sum_{i=1}^{n}\frac{1}{n}\times i = \frac{1}{n}\frac{n\left(n+1\right)}{2}=\frac{n+1}{2}$$ 因此,线性表按值查找算法的平均时间复杂度为 $O(n)$。
线性表的链式表示
顺序表可以随时存取表中的任意一个元素,它的存储位置可以用一个简单直观的公式表示,但插入和删除操作需要移动大量元素。链式存储线性表时,不需要使用地址连续的存储单元,即不要求逻辑上相邻的元素在物理位置上也相邻,它通过“链”建立起数据元素之间的逻辑关系,因此插入和删除操作不需要移动元素,而只需修改指针,但也会失去顺序表可随机存取的优点。
单链表的定义
线性表的链式存储又称单链表,它是指通过一组任意的存储单元来存储线性表中的数据元素。为了建立数据元素之间的线性关系,对每个链表结点,除存放元素自身的信息外,还需要存放一个指向其后继的指针。单链表中结点类型的描述如下:
1 | typedef struct LNode { |
data为数据域,存放数据元素;next为指针域,存放其后继结点的地址。
1 | // 初始化不带头结点的空单链表函数 |
利用单链表可以解决顺序表需要大量连续存储单元的缺点,但单链表附加指针域,也存在浪费存储空间的缺点。由于单链表的元素离散地分布在存储空间中,所以单链表是非随机存取的存储结构,即不能直接找到表中某个特定的结点。查找某个特定的结点时,需要从表头开始遍历,依次查找。
通常用头指针来标识一个单链表,如单链表 L,头指针为 nullptr 时表示一个空表。此外,为了操作上的方便,在单链表第一个结点之前附加一个结点, 称为头结点。头结点的数据域可以不设任何信息,也可以记录表长等信息。头结点的指针域指向线性表的第一个元素结点。
1 | // 初始化带头结点的空单链表函数 |
头结点和头指针的区分:不管带不带头结点,头指针始终指向链表的第一个结点, 而头结点是带头结点的链表中的第一个结点,结点内通常不存储信息。
引入头结点后,可以带来两个优点:
- 由于第一个数据结点的位置被存放在头结点的指针域中,所以在链表的第一个位置上的操作和在表的其他位置上的操作一致,无须进行特殊处理。
- 无论链表是否为空,其头指针都指向头结点的非空指针(空表中头结点的指针域为空),因此空表和非空表的处理也就得到了统一。
单链表上基本操作的实现
按位序插入(带头结点)
1 | // 按位序插入(带头结点) |
- 最好情况:插入的元素就在表头,时间复杂度为 $O(1)$。
- 最坏情况:插入的元素在表尾时,时间复杂度为 $O(n)$。
- 平均时间复杂度: $O(n)$。
按位序插入(不带头结点)
1 | // 按位序插入(不带头结点) |
指定结点的后插操作
1 | // 后插操作:在p结点之后插入元素e |
时间复杂度:$O(1)$。
指定结点的前插操作
1 | // 前插操作 |
指针后插,数据交换。
时间复杂度:$O(1)$。
按位序删除(带头结点)
1 | // 按位序删除 |
- 最好情况:删除的元素就在表头,时间复杂度为 $O(1)$。
- 最坏情况:删除的元素在表尾时,时间复杂度为 $O(n)$。
- 平均时间复杂度: $O(n)$。
删除指定结点
1 | bool DeleteNode(LNode *p) { |
时间复杂度:$O(1)$。
注意:上段代码无法解决 p 结点时尾结点时的删除问题,删除尾结点需要从头开始查找
按位查找(带头结点)
1 | // 按位查找,返回第i个元素 |
- 最好情况:查找的元素就在表头,时间复杂度为 $O(1)$。
- 最坏情况:查找的元素在表尾时,时间复杂度为 $O(n)$。
- 平均时间复杂度: $O(n)$。
按值查找
1 | LNode *LocateElem(LinkList L, int e) { |
- 最好情况:查找的元素就在表头,时间复杂度为 $O(1)$。
- 最坏情况:查找的元素在表尾(或不存在)时,时间复杂度为 $O(n)$。
- 平均时间复杂度: $O(n)$。
求单链表的长度
1 | // 求表的长度 |
时间复杂度:$O(n)$。
头插法建立单链表
1 |
|
重要应用:链表逆置
尾插法建立单链表
1 |
|
时间复杂度:$O(n)$
双链表
单链表结点中只有一个指向其后继的指针,使得单链表只能从头结点依次顺序地向后遍历。要访问某个结点的前驱结点(插入、删除操作时),只能从头开始遍历,访问后继结点的时间复杂度为 $O(1)$ ,访问前驱结点的时间复杂度为 $O(n)$。
为了克服单链表的上述缺点,引入了双链表,双链表结点中有两个指针 prior 和 next,分别指向其前驱结点和后继结点,双链表中结点类型的描述如下:
1 | typedef struct DNode { |
双链表在单链表的结点中增加了一个指向其前驱的 prior 指针,因此双链表中的按值查找和按位查找的操作与单链表的相同。但双链表在插入和删除操作的实现上,与单链表有着较大的不同。这是因为“链”变化时也需要对 prior 指针做出修改,其关键是保证在修改的过程中不断链。此外,双链表可以很方便地找到其前驱结点,因此,插入、删除操作的时间复杂度仅为 $O(1)$。
双链表的插入

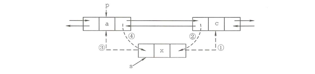
1 | bool InertNextDNode(DNode *p, DNode *s) { |
上述代码的语句顺序不是唯一的, 但也不是任意的,① 和 ② 两步必须在 ④ 步之前,否则 *p 的后继结点的指针就会丢掉,导致插入失败。
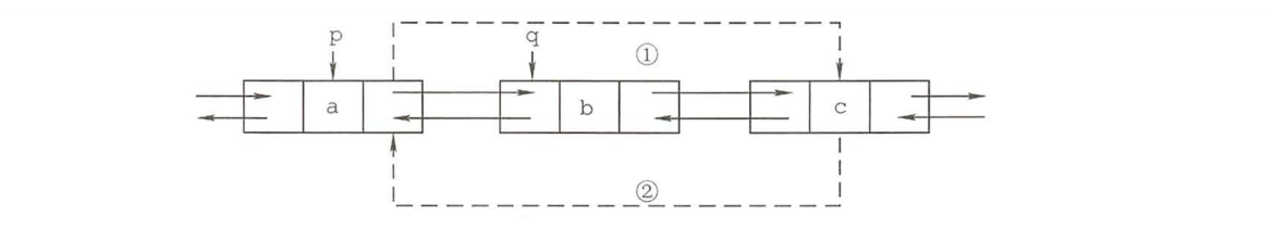
双链表的删除

1 |
|
双链表的循环
1 | // 后向遍历 |
1 | // 前向遍历 |
1 | // 前向变量(跳过头结点) |
双链表不可随机存取,按位查找、按值查找操作都只能用遍历的方式实现。时间复杂度 $O(n)$。
循环链表
循环单链表
循环单链表和单链表的区别在于,表中最后一个结点的指针不是 nullptr,而改为指向头结点,从而整个链表形成一个环。
1 | typedef struct LNode { |
1 | // 判断循环单链表是否为空 |
1 | // 判断结点p是否为循环单链表的表尾结点 |
循环双链表
1 | // 初始化空的循环双链表 |
1 | // 判断循环双链表是否为空 |
1 | // 判断结点p是否为循环双链表的表尾结点 |
静态链表
静态链表借助数组来描述线性表的链式存储结构,结点也有数据域 data 和指针域 next,与前面所讲的链表中的指针不同的是,这里的指针是结点的相对地址(数组下标),又称游标。和顺序表一样,静态链表也要预先分配一块连续的内存空间。
静态链表结构类型的描述如下:
1 |
|
静态链表以 next==-1 作为其结束的标志。静态链表的插入、删除操作与动态链表的相同,只需要修改指针,而不需要移动元素。总体来说,静态链表没有单链表使用起来方便,但在一些不支持指针的高级语言(如Basic)中,这是一种非常巧妙的设计方法。
王道书中对静态链表定义:
1 |
|
优点:增、删操作不需要大量移动元素
缺点:不能随机存取,只能从头结点开始依次往后查找;容量固定不可变
适用场景:不支持指针的语言;数据元素量固定不变的场景(如操作系统的文件分配表FAT)
顺序表和链表的比较
逻辑结构与物理结构
-
采用顺序存储时,逻辑上相邻的元素,对应的物理存储位置也相邻。
-
采用链式存储时,逻辑上相邻的元素,物理存储位置则不一定相邻,对应的逻辑关系是通过指针链接来表示的。
存取(读写)方式
顺序表可以顺序存取,也可以随机存取,链表只能从表头顺序存取元素。
例如在第 $i$ 个位置上执行存或取的操作,顺序表仅需一次访问,而链表则需从表头开始依次访问 $i$ 次。
查找、插入和删除操作
对于按值查找,顺序表无序时,两者的时间复杂度均为 $O(n)$ ;顺序表有序时,可采用折半查找,此时的时间复杂度为 $O(log_2n)$ 。
对于按序号查找,顺序表支持随机访问,时间复杂度仅为 $O(1)$ ,而链表的平均时间复杂度为 $O(n)$ 。
顺序表的插入、删除操作,平均需要移动半个表长的元素。链表的插入、删除操作,只需修改相关结点的指针域即可。
由于链表的每个结点都带有指针域,故而存储密度不够大。
空间分配
顺序存储在静态存储分配情形下,一旦存储空间装满就不能扩充,若再加入新元素,则会出
现内存溢出,因此需要预先分配足够大的存储空间。
预先分配过大,可能会导致顺序表后部大量闲置;预先分配过小,又会造成溢出。动态存储分配虽然存储空间可以扩充,但需要移动大量元素,导致操作效率降低,而且若内存中没有更大块的连续存储空间,则会导致分配失败。
链式存储的结点空间只在需要时申请分配,只要内存有空间就可以分配,操作灵活、高效。
实际中选取存储结构
基于存储的考虑
难以估计线性表的长度或存储规模时,不宜采用顺序表;链表不用事先估计存储规模,但链表的存储密度较低,显然链式存储结构的存储密度是小于 1 的。
基于运算的考虑
在顺序表中按序号访问 $a_1$ 的时间复杂度为 $O(1)$ ,而链表中按序号访问的时间复杂度为 $O(n)$,因此若经常做的运算是按序号访问数据元素,则显然顺序表优于链表。
在顺序表中进行插入、删除操作时,平均移动表中一半的元素,当数据元素的信息量较大且
表较长时,这一点是不应忽视的;在链表中进行插入、删除操作时,虽然也要找插入位置,但操作主要是比较操作,从这个角度考虑显然后者优于前者。
基于环境的考虑
顺序表容易实现,任何高级语言中都有数组类型;链表的操作是基于指针的,相对来讲,前者实现较为简单,这也是用户考虑的一个因素。
总之,两种存储结构各有长短,选择哪一种由实际问题的主要因素决定。通常较稳定的线性表选择顺序存储,而频繁进行插入、删除操作的线性表(即动态性较强)宜选择链式存储。


